Kubota RTV-X1140 Parts Diagram: Your Ultimate Guide

U.Realtypath 57 views
Kubota RTV-X1140 Parts Diagram: Your Ultimate Guide

Kubota RTV-X1140 Parts Diagram: Your Ultimate Guide

Hey guys! Are you looking for a comprehensive guide to the Kubota RTV-X1140 parts diagram? You’ve come to the right place. Maintaining your Kubota RTV-X1140 is crucial for its longevity and optimal performance. A detailed parts diagram is essential for identifying, locating, and ordering the correct components. This article dives deep into everything you need to know about the Kubota RTV-X1140 parts diagram, making your maintenance and repair tasks a breeze. Let’s get started!

Understanding the Importance of a Parts Diagram

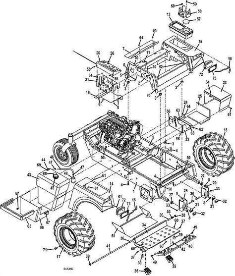
When it comes to repairing or maintaining your Kubota RTV-X1140, a parts diagram is your best friend. A parts diagram serves as a visual representation of all the components that make up your machine. It provides an exploded view, showcasing how each part fits together. This detailed layout helps you:

  • Identify Parts Correctly: No more guessing! A parts diagram allows you to pinpoint the exact part you need, reducing the risk of ordering the wrong component.
  • Locate Parts Easily: The diagram shows the physical location of each part within the machine, making it easier to find and access.
  • Understand Assembly: See how parts fit together, ensuring proper reassembly after repairs. This is super important for avoiding future issues.
  • Order with Confidence: When ordering replacement parts, you can use the diagram to find the correct part number, ensuring a perfect match. Using the correct part ensures that your machine runs smoothly and efficiently.

A good parts diagram is more than just a picture; it’s a roadmap to keeping your Kubota RTV-X1140 in top-notch condition. Without it, you’re essentially navigating in the dark. You might end up ordering the wrong parts, disassembling components unnecessarily, or even causing further damage during reassembly. Think of the parts diagram as the ultimate troubleshooting tool and assembly guide, all rolled into one handy visual aid. Whether you are a seasoned mechanic or a weekend warrior, having access to a detailed and accurate parts diagram can save you time, money, and frustration. It’s like having an expert by your side, guiding you through every step of the repair process. Plus, understanding how each component fits together can give you a better overall understanding of how your Kubota RTV-X1140 works, making you a more informed and capable owner.

Where to Find Kubota RTV-X1140 Parts Diagrams

Okay, so where can you actually find these crucial parts diagrams? There are several reliable sources you can tap into:

  • Official Kubota Dealer: Your local Kubota dealer is the best place to start. They have access to the most accurate and up-to-date parts diagrams for your specific model. They can also offer expert advice and assistance.
  • Kubota’s Official Website: Kubota often provides parts diagrams and manuals on their website. Look for the support or parts section to find resources specific to the RTV-X1140. Many manufacturers are now offering digital versions of their parts catalogs, which can be easily searched and downloaded. This is a great option if you prefer to have a digital copy that you can access on your computer or tablet while you work on your machine.
  • Online Parts Retailers: Websites specializing in Kubota parts often have online parts diagrams. These retailers usually have user-friendly interfaces that allow you to easily search for the parts you need.
  • Service Manuals: A service manual typically includes detailed parts diagrams along with repair procedures. Investing in a service manual can be a worthwhile investment, especially if you plan on performing a lot of maintenance and repairs yourself. A service manual provides step-by-step instructions for various repair tasks, along with detailed diagrams and illustrations to guide you through the process. It’s like having a comprehensive workshop manual specifically tailored to your Kubota RTV-X1140.

When searching for parts diagrams online, always make sure you are using a reputable source. There are many websites out there that may offer outdated or inaccurate information. Stick to official Kubota channels or well-known parts retailers to ensure you are getting reliable data. Also, be sure to double-check that the diagram you are using is specifically for the RTV-X1140 model. Even slight variations in model numbers can result in significant differences in the parts and their arrangement. It’s always better to be safe than sorry when it comes to identifying the correct parts for your machine. Taking the time to verify the accuracy of the parts diagram can save you a lot of headaches down the road.

Key Sections in a Kubota RTV-X1140 Parts Diagram

A typical Kubota RTV-X1140 parts diagram is organized into sections based on different components of the machine. Here are some common sections you’ll find:

  • Engine: This section covers all engine-related parts, including the cylinder head, pistons, crankshaft, and fuel system components. This is a critical section for engine maintenance and repairs.
  • Transmission: Find diagrams for the transmission, gearbox, and related components. Essential for diagnosing and fixing drivetrain issues.
  • Axles and Suspension: This section includes parts related to the axles, suspension system, and wheels. Important for maintaining a smooth and safe ride.
  • Steering: Diagrams of the steering system components, such as the steering wheel, steering column, and power steering unit. Key for ensuring precise control.
  • Brakes: Find parts diagrams for the brake system, including brake pads, rotors, calipers, and hydraulic lines. Keeping your brakes in top condition is super important for safety.
  • Electrical System: This section covers wiring harnesses, fuses, lights, and other electrical components. Essential for diagnosing and fixing electrical issues.
  • Body and Frame: Diagrams showing the body panels, frame components, and other structural parts. Helpful for repairs after collisions or for replacing damaged body parts.

Each section of the parts diagram will typically include an exploded view of the components, along with a parts list that identifies each part by its name and part number. The parts list is crucial for ordering replacement parts, as it provides the specific information needed to ensure you get the correct component. When browsing the parts diagram, take your time to familiarize yourself with the different sections and how they relate to each other. This will make it easier to locate the parts you need and understand how they fit together. Also, pay attention to any notes or special instructions that may be included in the diagram. These notes can provide valuable insights into the proper installation or maintenance procedures for specific parts.

How to Use a Parts Diagram Effectively

Using a parts diagram effectively involves a few key steps. Follow these tips to make the most of this valuable resource:

  1. Identify the Correct Diagram: Make sure the diagram matches your exact model and year. Differences can be significant.
  2. Locate the Relevant Section: Find the section that corresponds to the part you’re working on (e.g., engine, transmission, etc.).
  3. Study the Exploded View: Examine the exploded view to understand how the parts fit together. Take note of the order of assembly.
  4. Identify the Part: Use the diagram to pinpoint the exact part you need. Pay attention to the shape, size, and location of the part.
  5. Note the Part Number: Find the part number in the accompanying parts list. This is crucial for ordering the correct replacement.
  6. Double-Check Compatibility: Before ordering, double-check that the part number is compatible with your specific model. Consult your dealer or an online parts retailer if needed.

When working with a parts diagram, it’s also helpful to have a good understanding of basic mechanical principles. This will allow you to better interpret the diagram and understand how the different components work together. If you are unsure about anything, don’t hesitate to consult a qualified mechanic or technician. They can provide valuable guidance and assistance, especially for more complex repairs. Also, consider taking photos or making notes as you disassemble components. This can be extremely helpful when it comes time to reassemble everything, ensuring that you don’t forget where anything goes. Remember, patience and attention to detail are key when working with a parts diagram. By taking your time and following the steps outlined above, you can effectively use the diagram to identify, locate, and order the parts you need to keep your Kubota RTV-X1140 running smoothly.

Tips for Ordering the Right Parts

Ordering the correct parts is essential to avoid delays and ensure a successful repair. Here are some tips to help you order with confidence:

  • Use the Part Number: Always use the part number from the parts diagram when ordering. This is the most reliable way to ensure you get the correct part.
  • Verify Compatibility: Double-check that the part number is compatible with your specific Kubota RTV-X1140 model and year. There can be variations even within the same model.
  • Check the Description: Read the part description carefully to confirm that it matches the part you need. Pay attention to any specific attributes or specifications.
  • Buy from Reputable Sources: Order from authorized Kubota dealers or reputable online parts retailers. Avoid buying from unknown or unverified sources, as they may sell counterfeit or low-quality parts.
  • Ask for Assistance: If you’re unsure about a part, don’t hesitate to ask for assistance from the dealer or retailer. They can help you verify compatibility and ensure you’re ordering the right part.
  • Keep Records: Keep a record of the parts you order, including the part number, description, and source. This will make it easier to reorder the same part in the future.

Before placing your order, take a moment to review everything carefully. Double-check the part numbers, descriptions, and quantities to ensure that everything is correct. It’s also a good idea to check the retailer’s return policy in case you need to return a part for any reason. Ordering parts online can be convenient, but it’s important to be diligent and pay attention to the details. By following these tips, you can minimize the risk of ordering the wrong parts and ensure that you get the components you need to keep your Kubota RTV-X1140 in top condition. Remember, the right parts are essential for ensuring the performance, reliability, and safety of your machine.

Conclusion

A detailed Kubota RTV-X1140 parts diagram is an indispensable tool for anyone maintaining or repairing their machine. By understanding how to find and use these diagrams effectively, you can save time, money, and frustration. Remember to always verify the diagram’s accuracy, use part numbers when ordering, and consult reputable sources for your parts needs. Happy wrenching, guys! Keep your Kubota RTV-X1140 running strong! Investing the time and effort to understand your parts diagram will pay dividends in the long run, allowing you to tackle maintenance and repair tasks with confidence and keep your machine operating at its best. Whether you’re a seasoned mechanic or a DIY enthusiast, the parts diagram is your key to unlocking the full potential of your Kubota RTV-X1140.